登录 | 注册
当前位置 > 首页 > 产品目录 > 光学仪器及设备 > 电子显微镜 > 产品详情
生物显微镜 | 倒置显微镜 | 实体/体视显微镜 | 电子显微镜 | 显微成像 | 显微操作 | 共聚焦显微镜 | 显微镜附件/滤光片 | 其他显微系统 |

蔡司场发射扫描电子显微镜 Sigma系列

国产进口 : 进口
产地品牌 : ZEISS
型 号 : Sigma系列
总访问 : 2577
产品类别 : 电子显微镜
最后更新 : 2025-12-22 09:26:54
产品介绍
公司简介
[ 产品简介 ]
蔡司新一代场发射扫描电子显微镜Sigma系列,具有高质量的成像和分析能力,将先进的场发射扫描电子显微镜技术与优秀的用户体验完美结合。利用Sigma系列直观的4步工作流程,在更短的时间内获得更多的数据,提高测试与生产效率。可选配多种探测器,以满足半导体、能源等新材料、磁性样品、生物样品、地质样品等不同的应用需求。结合蔡司原位电镜实验平台,可以实现自动智能化的原位实验工作流程,高效率获取高通量、高质量的原位实验数据。领先的EDS几何设计保证了出色的元素分析性能,分析速度高、精度好、结果可靠。高分辨、全分析、多扩展、强智能、广应用,全新Sigma系列是助力于材料研究、生命科学和工业检测等领域的“多面手”。
[ 产品特点 ]
  • 独特的Gemini镜筒设计,低电压高分辨,无漏磁
  • 广泛全面的应用场景
  • 丰富灵活的探测手段
  • 智能高效的工作流程
  • 先进可靠的分析系统
  • 强大完善的扩展平台
[ 应用领域 ]
  • 材料科学,如纳米材料高分辨成像,高分子聚合物等不导电样品成像,电池材料成分衬度成像,二维材料分析
  • 生命科学,如生物样品超微结构成像,冷冻样品高分辨成像
  • 地质矿物学,如地质样品高分辨成像、成分分析以及原位拉曼联用分析
  • 工业应用,如组件失效分析,工艺诊断
  • 电子半导体行业,如质量控制与分析,6英寸Wafer快速换样,电子束曝光技术(EBL)
  • 钢铁行业,如夹杂物分析,金属材料自动原位成像分析
  • 刑侦、法医学
  • 考古学、文物保护与修复
 
 

NanoVP lite模式下断裂的聚苯乙烯表面成像
  
氧化铝颗粒高分辨二次电子成像
  

ETSE探测器氧化锌枝晶成像
 

InLens SE探测器氧化锆&氧化铁复合材料成像
   

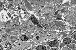
Sense BSD探测器刺毛苔藓虫超微结构成像


aBSD探测器超导合金成像
bio-equip.com
 10         12
全部评论

情链接    FRIENDLY LINK

申请友情链接 》

网站首页 | 行业资讯

版权所有:厦门国仪科学仪器有限公司
电 话:0592-7275200 加盟热线: 15396239405(微信同号)
Copyright(C) 1992-2025 科器在线 闽ICP备14001127号-2